Product Center
Air Vent Head can be called as air pipe head, is used for the ventilation of the oil tank or water tank on the vessel.
Design Standard: JIS F3012-1990
Test Standard: JIS 7400-1996
Flange size as per JIS B2220 - 5K
* The flange size also can be manufactured according to 10K, 16K.
![]()
Function of Air Vent Head:
Air Vent Head (Air Pipe Head) is check valve used for the ventilation system of oil tank or water tank. It keeps the tank pressure as the design pressure by breathing or inhaling. When the pressure is high, it breathes. When the pressure is low, it inhales. And it also have the function of preventing the sea water, rain, insect, mouse and spark into the tank.
Main Material:
Body: FC200/FCD450 (Cast Iron/Nodular Iron)
Float Disc: SUS304 (Stainless Steel)
Rubber Ring: NBR
Screen: SUS304 (Stainless Steel)
Cover: Carbon Steel with Galv
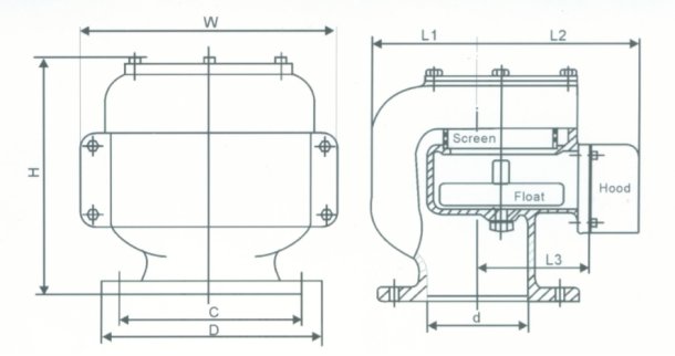
Main Size List(mm):
Nominal Size | d | L1 | L2 | L3 | H | D | C | W | Weight (kgs) |
50 | 50 | 75 | 103 | 75 | 180 | 130 | 105 | 135 | 7 |
65 | 65 | 85 | 120 | 85 | 210 | 155 | 130 | 155 | 9 |
80 | 80 | 90 | 153 | 100 | 245 | 180 | 145 | 190 | 14 |
100 | 100 | 110 | 160 | 110 | 270 | 200 | 165 | 225 | 16 |
125 | 125 | 130 | 195 | 130 | 310 | 235 | 200 | 265 | 23 |
150 | 150 | 155 | 225 | 150 | 355 | 265 | 230 | 300 | 33 |
200 | 200 | 200 | 295 | 180 | 440 | 320 | 280 | 400 | 56 |
