Product Center
Marine Cast Steel Angle Storm Valve JIS F3060R 5K:
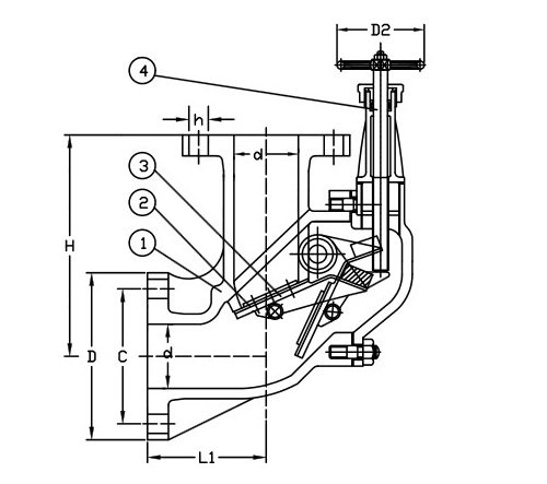
![]()
Design Standard: JIS F3060-1996
Test Standard: JIS 7400-1996
Flange size as per JIS B2220 - 5K
Main Material:
1-Body: Cast Steel (SC480)
2-Seat: Rubber(NBR)
3-Disc: Bronze (BC6)
4-Stem: Stainless Steel (SUS403)
Main Size List(mm):
DN | L1 | H | D | C | No. | h | t | D2 |
50 | 90 | 170 | 130 | 105 | 4 | 15 | 16 | 100 |
65 | 110 | 200 | 155 | 130 | 4 | 15 | 16 | 100 |
80 | 120 | 220 | 180 | 145 | 4 | 19 | 18 | 125 |
100 | 130 | 250 | 200 | 165 | 8 | 19 | 20 | 125 |
125 | 150 | 270 | 235 | 200 | 8 | 19 | 20 | 125 |
150 | 170 | 310 | 265 | 230 | 8 | 19 | 22 | 125 |
200 | 190 | 400 | 320 | 280 | 8 | 23 | 24 | 125 |
Marine Cast Steel Angle Storm Valve JIS F3060R 10K:
![]()
Design Standard: JIS F3060-1996
Test Standard: JIS 7400-1996
Flange size as per JIS B2220 - 10K
Main Material:
1-Body: Cast Steel (SC480)
2-Seat: Rubber(NBR)
3-Disc: Bronze (BC6)
4-Stem: Stainless Steel (SUS403)
Main Size List(mm):
DN | L1 | H | D | C | No. | h | t | D2 |
50 | 90 | 170 | 155 | 120 | 4 | 19 | 14 | 100 |
65 | 110 | 200 | 175 | 140 | 4 | 19 | 14 | 100 |
80 | 120 | 220 | 185 | 150 | 8 | 19 | 14 | 125 |
100 | 130 | 250 | 210 | 175 | 8 | 19 | 16 | 125 |
125 | 150 | 270 | 250 | 210 | 8 | 19 | 16 | 125 |
150 | 170 | 310 | 280 | 240 | 8 | 23 | 18 | 125 |
200 | 190 | 400 | 330 | 290 | 12 | 23 | 22 | 125 |
