RKFM has obtained certifications from ABS, BV, DNV, LR, CCS, KR, and NK classification societies. “Starting with precision in every valve, we strive to revitalize China's shipbuilding industry.”
JIS F7356 Marine Bronze Lift Check Valve | Ensuring Unidirectional Flow in Marine Applications
Product Center
JIS F7356 Marine Bronze Lift Check Valve
TECHNICAL FEATURES:
Design Standard: JIS F7356-1996
Test Standard: JIS 7400-1996
Hydraulic Test Pressure: Body- 1.05Mpa, Seat-0.77Mpa~0.4Mpa
Flange size as per JIS B2220 - 5K
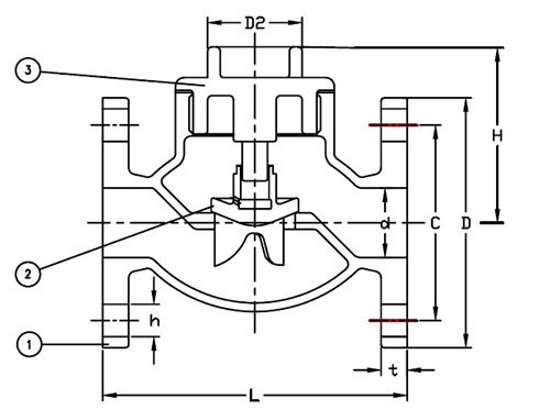
Product Details

Main Material:
1-Body: Bronze (BC6)
2-Bonnet: Bronze (BC6)
3-Disc: Bronze (BC6)
4-Gasket: non-asbestos
Main Size List(mm):
Size | L | D | C | No of Bolt | h | t | H | D2 |
25 | 120 | 95 | 75 | 4 | 12 | 10 | 77 | 41 |
32 | 140 | 115 | 90 | 4 | 15 | 12 | 81 | 41 |
40 | 160 | 120 | 95 | 4 | 15 | 12 | 91 | 46 |